ΣΚΙΑΘΟΣ – ΕΞΟΧΙΚΗ ΚΑΤΟΙΚΙΑ
Περιγραφή έργου
Εργοδότης : Ιδιώτης
Έτος Μελέτης : 2013
Ετος Κατασκευής : 2014
Αρχιτεκτονική μελέτη : JR – Ρίζος Αρχιτέκτονες
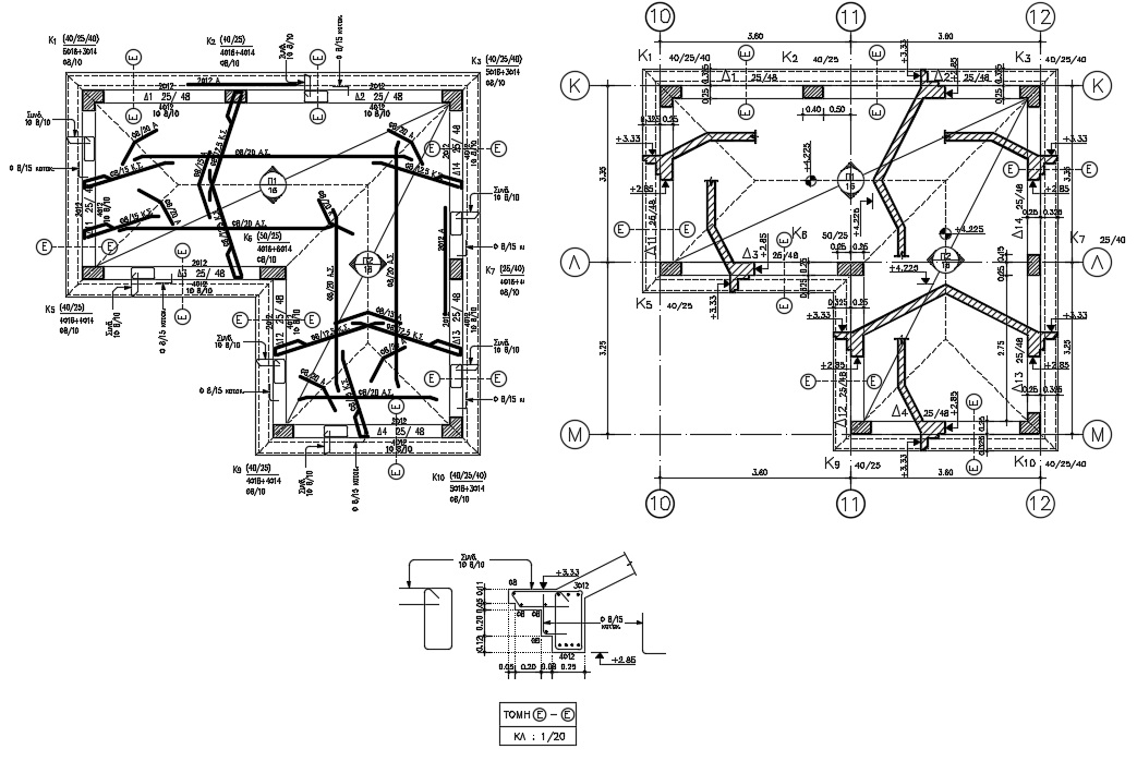
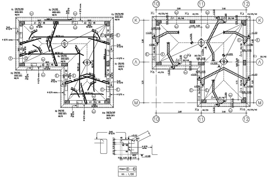
Η μελέτη αφορά μικρή εξοχική κατοικία που κατασκευάστηκε στην θέση «Καλύβια» της νήσου Σκιάθου. Ο Φέρων Οργανισμός της είναι από οπλισμένο σκυρόδεμα. Η κατοικία αποτελείται από χώρους Υπογείου και Ισογείου.





