ΛΕΥΚΑΔΑ – ΕΞΟΧΙΚΗ ΚΑΤΟΙΚΙΑ
Περιγραφή έργου
Εργοδότης : Ιδιώτης
Έτος Μελέτης : 2020
Αρχιτεκτονική μελέτη : KIPSELI ARCHITECTS – Μαριολοπούλου Κίρκη, Ρωμανάς Ηλίας
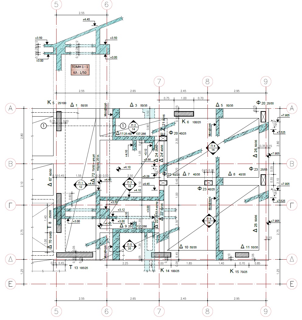
Πρόκειται για κατοικία με περιορισμένης εκτάσεως Υπόγειο, Ισόγειο και Α’ Οροφο. Περιλαμβάνει δεξαμενή κολύμβησης και μηχανοστάσιο. Η στέγη του Α’ Ορόφου είναι μονοκλινής πλάκα και «εξέρχεται» για αρχιτεκτονικούς λόγους από την οροφή Ισογείου. Ο Φέρων Οργανισμός του συνόλου του έργου θα κατασκευαστεί από Οπλισμένο Σκυρόδεμα. Στην οροφή Ισογείου για αρχιτεκτονικούς λόγους (φύτευση), συγκεκριμένες πλάκες έχουν προβλεφθεί να κατασκευαστούν διπλές. Στην μελέτη, κατά περίπτωση, έχει προσδιοριστεί ποιες από τις δύο πλάκες θεωρούνται κύριες (π.χ. επ’ αυτών που πακτώνονται εν συνεχεία οι μονές περιμετρικές πλάκες – πρόβολοι) και ποιες δευτερεύουσες (π.χ. στην περίπτωση όπου απαιτηθεί οι άνω πλάκες να είναι κύριες, τότε προβλέπονται και κάτω ελαφρές, μικρού πάχους δευτερεύουσες πλάκες, για λόγους κάλυψης της οροφής και μόνον, λύση που προτιμάται έναντι των τσιμεντοσανίδων
















